30+ 6 volt ford 8n wiring diagram


Pdf Ccd Photometry From A Small Observatory In A Large City


How To Wire 6 Volt 1942 9n Yesterday S Tractors


May I Get Some Help On Identifying The Function Of A Few Connectors On A Wiring Harness 2014 2 0 Ecoboost Motor Ford Focus St Forum


Wiring Diagram For Ford 9n 2n 8n


Pulse Bar Wiring Polaris General Forum


Wiring Mishap Dodge Ramcharger Central


Wiring Diagram For Ford 9n 2n 8n


Wiring Diagram For 8n Ford Tractor Ford 8n 9n 2n Tractors Collecting Restoring And Using The Ford 8n Ford Tractor Ford Tractors


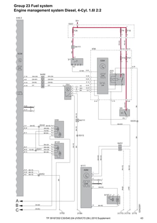
Tp39167202 2010 C30 S40 V50 C70 Supplement Wiring Diagram


Wiring Diagram For Tractor 8n Ford Tractor Ford Tractors Tractors


New Distributor Front Mount Compatible With Replacement For Ford Tractor 2n 8n 9n 9n12100 1100 5000


Help With Ignition Switch Wires For Kill Switch Install Vw Vortex Volkswagen Forum


84 Ramcharger Blower Motor Issues Dodge Ramcharger Central


Fuj Rftyhd R0 By Selenafresgo Issuu


Led Cfc Diagnostic Ranger Engl Pdf Trailer Vehicle Electrical Connector


I Would Like To Install A Set Of 03 Lincoln Power Buckets In A Hot Rod Could You Assist Me With A Wiring Diagram Of The


What Does The Term U And V Stand For On A Wiring Diagram Quora


8n Wiring Yesterday S Tractors

Iklan Atas Artikel

Iklan Tengah Artikel 1

Iklan Tengah Artikel 2

Iklan Bawah Artikel